4544

Design and Implement Active Twin-T Notch Filter for Signal Reception in Magnetic Particle Imaging
Kangjian Huang1, Congcong Liu1, Ye Li1, Yanjie Zhu1, Hairong Zheng1, Dong Liang 1, and Haifeng Wang1
1Shenzhen Institute of Advanced Technology,Chinese Academy of Sciences, shenzhen, China

Synopsis

Keywords: Hybrid & Novel Systems Technology, Hybrid & Novel Systems Technology

Because of the imaging coding mode of Magnetic particle imaging (MPI), the drive-field signal directly couples into the receiving coil and covers the magnetic particle signal, which one aims to detect. Therefore, some method is needed to remove the drive-field signal and retain the magnetic particle signal. One of the methods is to use a passive band-stop filter to filter the excitation signal, but the general passive band-reject filter has a large stopband, which filters part of the magnetic particle signal while filtering the drive-field signal. In this study, we design an active twin-T notch filter with narrow stopband, which better restore the magnetic particle signal and improve the signal-to-noise in MPI.

Introduction

Magnetic particle imaging (MPI) is a novel three-dimensional real-time biomedical imaging method. It utilizes the nonlinear magnetization response characteristics of superparamagnetic iron oxide nanoparticles (SPION) under alternating magnetic field to image [1] [2]. In order to filter the excitation signal, filtering method, gradiometric receiving coil and cancellation method are commonly used [3][4]. The filtering method is mainly based on the little change of the excitation signal frequency, usually using band stop filter. The active twin-T notch filter designed in this paper is also a kind of band stop filter. Compared with the general passive band stop filter, the active notch filter has the advantages of good cut-off characteristics and narrow stopband. Therefore, it can filter out the drive-field signal and has less influence on the magnetic particle signal than the general passive band stop filter. And the filter can better retain the particle signal and reduce the distortion, it is important for the reconstruction method based on X-space[5].

Methods

Notch filter is a filter that can rapidly attenuate the input signal at a certain frequency point to achieve the filtering effect that blocks the passage of this frequency signal. In magnetic particle imaging, we usually need to filter the excitation signal. The frequency of the excitation signal is usually fixed or has only a little change, which is very consistent with the characteristics of the notch filter. Moreover, the notch filter has a very narrow stopband, which has very little impact on the magnetic particle signal. Therefore, the notch filter is suitable for filtering the excitation signal in the signal receiving chain of magnetic particle imaging.
General passive notch filter is composed of RC low pass filter and RC high pass filter in parallel. However, this passive twin-T network has small input impedance and large output impedance, which are easy to be affected by the front and back stages of the circuit, poor cut-off characteristics and low Q value. Although high-order passive notch filter achieves high Q value, it is difficult to apply in practice due to complex circuit and special parameter value of electronic components [8]. Generally, the excitation signal in magnetic particle imaging scanner is about 20kHz, and the passive notch filter central frequency is too high and the bandwidth is too large, so the signal of the magnetic particle may be affected. For the problem, we use amplifier and appropriate feedback to form active twin-T notch filter, which can achieve a high Q value and narrow stopband.
In MPI scanner, the excitation signal is usually around 20kHz, according to the formula, we can determine the values of R and C, for convenience we set C=10nF, R=800Ω. This circuit also has the advantage that the value of the figure of merit Q can be adjusted by adjusting the parameters of resistors Ra and Rb[6][7]. The filter designed can be used in the signal receiving chain of MPI scanner, and its position in the system is shown in Figure 1. The MPI scanner we use has been validated and can be used for magnetic spectrum analysis and two-dimensional imaging [9]. In this MPI scanner, gradient receiving coil is used, and after receiving coil, active twin-T filter is connected.

Results

For the amplitude frequency characteristics of the filter, we used Multisim14 software to conduct circuit simulation, and the simulation results of the amplitude frequency characteristics are shown in Figure 3. It can be seen from the simulation results that the narrow stopband width can be achieved by increasing the Q value, but the Q value should not be too high, because high Q value is prone to central frequency oscillation and abnormal phase frequency characteristics. Next, we verified the actual signal in the MPI scanner. We used a passive twin-T notch filter and an active twin-T notch filter for comparison. After the MPI scanner collected the signal, it performed Fourier transform to obtain the spectrum distribution of the signal. And we have normalized the data, the results are shown in Figure 5. It can be seen that the signal using the active twin-T notch filter attenuates less in the higher harmonics, because the active narrow stopband bandwidth only filters frequency signals in the stopband and has little impact on other frequencies, so it can retain more signals of magnetic particles and reduce signal distortion.

Conclusions and Discussion

In this work, we proposed to apply an active twin-T notch filter into MPI. The proposed active twin-T filter add feedback into circuit, which makes it easier to obtain a higher Q value and narrow stopband. And this proposed filter would retain particle signal more completely for the X-space MPI reconstruction method which base on complete particle signals. So it can improve the signal-to-noise ratio and prevent errors in the MPI reconstruction. In addition, the proposed filter could also be combined with other methods to achieve better results, such as gradiometric receiving coil method or cancellation method.

Acknowledgements

This work was partially supported by the National Natural Science Foundation of China (61871373, 62271474, 81830056, U1805261, 81729003, 81901736, 12026603, 12026603 and 81971611), the Strategic Priority Research Program of Chinese Academy of Sciences (XDB25000000 and XDC07040000), the High-level Talent Program in Pearl River Talent Plan of Guangdong Province (2019QN01Y986), the Key Laboratory for Magnetic Resonance and Multimodality Imaging of Guangdong Province (2020B1212060051), the Science and Technology Plan Program of Guangzhou (202007030002), the Key Field R&D Program of Guangdong Province (2018B030335001), the Shenzhen Science and Technology Program, Grant Award (JCYJ20210324115810030), and the Shenzhen Science and Technology Program (Grant No. KQTD20180413181834876, and KCXF20211020163408012).

References

[1] Gleich, Bernhard, and Jürgen Weizenecker. "Tomographic imaging using the nonlinear response of magnetic particles." Nature 435.7046 (2005): 1214-1217.
[2] Panagiotopoulos, Nikolaos, et al. "Magnetic particle imaging: current developments and future directions." International journal of nanomedicine 10 (2015): 3097.
[3] Graeser, Matthias, et al. "Analog receive signal processing for magnetic particle imaging." Medical physics 40.4 (2013): 042303.
[4] Graeser, Matthias, et al. "Towards picogram detection of superparamagnetic iron-oxide particles using a gradiometric receive coil." Scientific reports 7.1 (2017): 1-13.
[5] Goodwill, Patrick W., and Steven M. Conolly. "The X-space formulation of the magnetic particle imaging process: 1-D signal, resolution, bandwidth, SNR, SAR, and magnetostimulation." IEEE transactions on medical imaging 29.11 (2010): 1851-1859.
[6] Bansal, Dipali. "Design of 50 Hz notch filter circuits for better detection of online ECG." International Journal of Biomedical Engineering and Technology 13.1 (2013): 30-48.
[7] Jing, Pei, Huang Dan, and Jiang Qiyun. "Optimal design on twin-T notch filter in electromagnetic exploration equipments." 2011 International Conference on Electric Information and Control Engineering. IEEE, 2011.
[8] Irfan, M., H. Mossa, and N. Dogan. "Analog filters for Enhanced Signal Reception of Magnetic Particle Imaging (MPI) Scanner." 2021 Medical Technologies Congress (TIPTEKNO). IEEE, 2021.
[9] Liu Congcong, et al. "Design and Implementation of Low-cost Distributed Tabletop Magnetic Particle Imaging System." IEEE Transactions on Magnetics (2022).

Figures

Fig. 1 System frame and active twin-T notch filter (blue dotted box). This filter is mainly used in the signal receiving chain of MPI, and is at the next stage of the receiving coil. Besides, it could also combine with other methods of removing drive-field, such as gradiometric receiving coil method or cancellation method.

Fig. 2 MPI scanner. It can be used for magnetic particle spectrum analysis and two-dimensional imaging. The scanner has a selection field gradient of 1.7T/m, a driving field amplitude of 17mT and a gradiometric receiving coil.

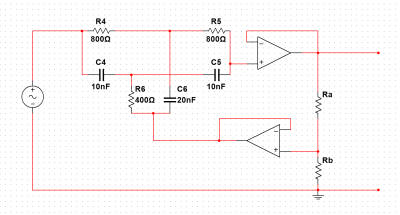
Fig. 3 Circuit diagram of active twin-T notch filter. The value of Q can be adjusted by setting Ra and Rb value. On the left side of the circuit is a classic passive RC twin-T network, which consists of an RC low-pass filter and an RC high-pass filter. Based on the passive twin-T network uses op amps with appropriate feedback to form an active twin-T notch.

Fig. 4 Amplitude-frequency and phase frequency characteristics of twin-T notch filter. The center frequency of the filter is approximately 19.9kHz. Obviously, compared with passive twin-T notch filter, the active twin-T notch filter has a narrower stopband bandwidth and better cut-off characteristics.

Fig. 5 Spectrum of signal after filtering (active filter in blue, passive filter in orange). It can be seen that the signal using the active twin-T notch filter has less attenuation in the higher harmonics. This is because the active filter has little impact on the frequency signal outside the stopband, so it can better restore the particle signal.

Proc. Intl. Soc. Mag. Reson. Med. 31 (2023)
4544
DOI: https://doi.org/10.58530/2023/4544